

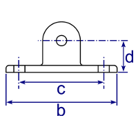
| Größe | a mm |
b mm |
c mm |
d mm |
e mm |
Kg |
Karton Menge |
|---|---|---|---|---|---|---|---|
| V50 | 51 | 112 | 82 | 35 | 0.38 | 100 | |
Bitte beachten Sie, dass die angegebenen Maße für Tempergußfittings
Annährungsmaße sind, welche von Charge zu Charge variieren können.
Finale Maße werden
fertigungsbedingt maßgeblich vom Gießprozess und den
Stahlqualitäten, Modellwachsen, Umgebungstemperaturen und
Abkühlprozessen beeinflusst.
Es ist daher angeraten mit Konfektionsarbeiten und Anarbeitungen
(Bohr-, Fräs- und Laserarbeiten) an Projektstrukturen erst mit
physischem Vorhandensein
der Fittings zu beginnen.
--Verwenden Sie für die
Montage ausschließlich zöllige
Inbus-Schlüssel bzw. Inbus-Knarreneinsätze der Größen 1/4" bzw. 5/16"
(Typen V76-014 bzw. V76-516). Unter Verwendung üblicher metrischer
Inbus-Schlüssel in 6.0
mm bzw. 8.0 mm (= untermaßig) werden die Flanken der Antriebspassungen
beschädigt, wodurch eine Demontage bzw. eine wiederholte
kraftschlüssige Fixierung
der Schrauben ggf.
unmöglich wird.
--Abhängig von der
Rohrstärke, dem Rohrmaterial, der Wandstärke und dem verwendeten
Fitting-Typ ist zu beachten, dass
das Anziehen der Klemm-Schneid-Schrauben
unter kontrollierten
Bedingungen erfolgt.
Insbesondere Rohrenden könnten unter
zu hohem Anzugsmoment zusammengequetscht werden, oder der Fitting wird
ggf. aus seiner Position gedrückt. Hier empfiehlt sich zuvor
ein
Montagetest an
einem Rohrstummel, ggf. auch mit Erfassung des maximal
verträglichen Anzugs-Drehmomentes.
Vorgenanntes gilt insbesondere
bei
Verwendung von Alu-Rohr oder sehr dünnwandigem Gerätebau-Rohr.
--Von einem Einsatz
elektrisch oder Druckluft betriebener Schlagschrauber
wird abgeraten.
--Wenn
zur Konfektionierung der Rohre ein Trennschleifer verwendet wird,
sollte unbedingt vermieden werden, dass Scheibenabrieb und Stahlstaub
auf oder in die Fittings gelangt. Derartiges Trenngut in
Verbindung
mit Luftfeuchtigkeit bzw. direkter Wassereinwirkung führt i.d.R. zu
einem unmittelbaren Korrosionsprozess (Rostbildung) auf den Flächen.
--Die Verbinder
sind expliziert nicht für eine Anwendung an Baugerüsten konstruiert
oder zugelassen.
--Für
den Einsatz in Bereichen mit gehobenen Sicherheitsanforderungen
(gewerbliche Nutzung, Arbeitssicherheit), oder in Arbeitsbereichen
welche grundsätzlich der Abnahme bzw. Kontrolle einer Berufsgenossenschaft
bedürfen, hat der Bauplaner, der ausführende Betrieb (der Ausführungsberechtigte) bzw. der Nutzer der Konstruktion die
Verantwortung eine entsprechende Prüfung zu veranlassen. Gleiches
gilt auch für Einhausungen in denen sich regelmäßig Menschen aufhalten, sowie für
Konstruktionen die statischen und dynamischen Lasten ausgesetzt
sind.
--Die Verarbeitung von
Rohrverbindern sowie die Nutzung von Konstruktionen aus Rohrverbindern
erfolgt auf eigenes
Risiko und eigene Gefahr.
--Etwaige
Konstruktionsvorschläge der Fa. RPM-Mengazzi, Celle erfolgen ohne
Gewähr.