

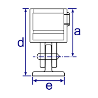
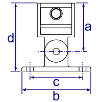
| Größe | a mm |
b mm |
c mm |
d mm |
e mm |
Kg |
Karton Menge |
|---|---|---|---|---|---|---|---|
| 27 | 61 | 112 | 85 | 93 | 52 | 0.66 | 80 |
| 34 | 61 | 112 | 85 | 93 | 52 | 0.73 | 60 |
| 42 | 69 | 112 | 85 | 98 | 52 | 0.86 | 45 |
| 48 | 77 | 112 | 85 | 109 | 52 | 0.97 | 30 |
| 60 | 89 | 112 | 85 | 121 | 52 | 1.23 | 24 |
Bitte beachten Sie, dass die angegebenen Maße für Tempergußfittings Annährungsmaße
sind, welche von Charge zu Charge variieren können. Finale Maße werden fertigungsbedingt
maßgeblich vom Gießprozess und den Stahlqualitäten, Modellwachsen, Umgebungstemperaturen
und Abkühlprozessen beeinflusst.
Es ist daher angeraten
mit Konfektionsarbeiten und Anarbeitungen (Bohr-, Fräs- und Laserarbeiten) an Projektstrukturen
erst mit physischem Vorhandensein der Fittings zu beginnen.
--Verwenden Sie für die Montage ausschließlich zöllige Inbus-Schlüssel bzw.
Inbus-Knarreneinsätze der Größen 1/4" bzw. 5/16" (Typen V76-014 bzw. V76-516). Unter
Verwendung üblicher metrischer Inbus-Schlüssel
in 6.0 mm bzw. 8.0 mm (= untermaßig) werden die Flanken der Antriebspassungen beschädigt,
wodurch eine Demontage bzw. eine wiederholte kraftschlüssige Fixierung der Schrauben
ggf. unmöglich wird.
--Abhängig von
der Rohrstärke, dem Rohrmaterial, der Wandstärke und dem verwendeten Fitting-Typ
ist zu beachten, dass das Anziehen der Klemm-Schneid-Schrauben unter kontrollierten
Bedingungen erfolgt. Insbesondere Rohrenden
könnten unter zu hohem Anzugsmoment zusammengequetscht werden, oder der Fitting
wird ggf. aus seiner Position gedrückt. Hier empfiehlt sich zuvor
ein Montagetest an
einem Rohrstummel, ggf.
auch mit Erfassung des maximal verträglichen Anzugs-Drehmomentes. Vorgenanntes gilt
insbesondere
bei Verwendung von Alu-Rohr oder sehr
dünnwandigem Gerätebau-Rohr.
--Von einem Einsatz elektrisch oder Druckluft
betriebener Schlagschrauber wird abgeraten.
--Wenn zur Konfektionierung
der Rohre ein Trennschleifer verwendet wird, sollte unbedingt vermieden werden,
dass Scheibenabrieb und Stahlstaub auf oder in die Fittings gelangt.
Derartiges Trenngut in Verbindung mit Luftfeuchtigkeit bzw. direkter Wassereinwirkung
führt i.d.R. zu einem unmittelbaren Korrosionsprozess (Rostbildung) auf den Flächen.
--Die Verbinder
sind expliziert nicht für eine Anwendung an Baugerüsten konstruiert oder zugelassen.
--Für den Einsatz
in Bereichen mit gehobenen Sicherheitsanforderungen (gewerbliche Nutzung, Arbeitssicherheit),
oder in Arbeitsbereichen welche grundsätzlich der Abnahme bzw. Kontrolle einer
Berufsgenossenschaft bedürfen, hat der
Bauplaner, der ausführende Betrieb (der Ausführungsberechtigte) bzw. der Nutzer
der Konstruktion die Verantwortung eine entsprechende Prüfung
zu veranlassen. Gleiches gilt auch für Einhausungen in denen sich regelmäßig Menschen
aufhalten, sowie für Konstruktionen die statischen und dynamischen Lasten ausgesetzt
sind.
--Die Verarbeitung von Rohrverbindern sowie die
Nutzung von Konstruktionen aus Rohrverbindern erfolgt auf eigenes
Risiko und
eigene Gefahr.
--Etwaige Konstruktionsvorschläge der Fa. RPM-Mengazzi,
Celle erfolgen ohne Gewähr.